动态随机存取存储器
动态随机存取存储器(Dynamic Random Access Memory,DRAM)是一种半导体記憶體,主要的作用原理是利用電容內儲存電荷的多寡來代表一個二进制位元(bit)是1還是0。由於在現實中電晶體會有漏電電流的現象,導致電容上所儲存的電荷數量並不足以正確的判別資料,而導致資料毀損。因此對於DRAM來說,周期性地充電是一個不可避免的条件。由於這種需要定時刷新的特性,因此被稱為「動態」記憶體。相對來說,靜態記憶體(SRAM)只要存入資料後,縱使不刷新也不會遺失記憶。
| 類型 |
|---|
| RAM |
| 发展中 |
|
| 历史上 |
| ROM |
| NVRAM |
| 早期 |
| 磁式 |
| 光學式 |
| 发展中 |
| 历史上 |
與SRAM相比,DRAM的優勢在於結構簡單——每一個位元的資料都只需一個電容跟一個電晶體來處理,相比之下在SRAM上一個位元通常需要六個電晶體。正因這緣故,DRAM擁有非常高的密度,單位體積的容量較高因此成本較低。但相反的,DRAM也有存取速度较慢,耗电量较大的缺點。
與大部分的隨機存取記憶體(RAM)一樣,由於存在DRAM中的資料會在電力切斷以後很快消失,因此它屬於一種揮發性記憶體(volatile memory)設備。
工作原理

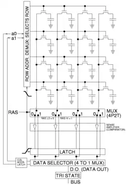
DRAM读操作举例,在简单的4x4矩阵上
DRAM通常以一个电容和一个電晶體为一个单元排成二维矩阵,左图所示是一个4×4的矩阵。基本的操作機制分為讀(Read)和寫(Write),讀的時候先讓Bitline(BL)先充電到操作電壓的一半,然後再把電晶體打開讓BL和電容產生電荷共享的現象,若內部儲存的值為1,則BL的電壓會被電荷共享抬高到高於操作電壓的一半,反之,若內部儲存的值為0,則會把BL的電壓拉低到低於操作電壓的一半,得到了BL的電壓後,在經過放大器來判別出內部的值為0和1。寫的時候會把電晶體打開,若要寫1時則把BL電壓抬高到操作電壓使電容上儲存著操作電壓,若要寫0時則把BL降低到0伏特使電容內部沒有電荷。
相關條目
This article is issued from Wikipedia. The text is licensed under Creative Commons - Attribution - Sharealike. Additional terms may apply for the media files.